水城县美丽居瓷粉加工厂年产6000吨瓷粉项目 竣工环境保护验收监测报告表
来源: 作者: 发布时间:2019-12-03 浏览量:5670
水城县美丽居瓷粉加工厂年产6000吨瓷粉项目
竣工环境保护验收监测报告表
建设单位: 水城县美丽居瓷粉加工厂
编制单位: 贵州山水永秀环境工程咨询有限公司
编制日期: 2019年12月
建设单位法人代表: (签字)
编制单位法人代表: (签字)
项 目 负 责 人:
填 表 人:
建设单位 (盖章) 编制单位 (盖章)
电话: 电话:
传真: 传真:
邮编: 邮编:
地址: 地址:
表一
|
建设项目名称 |
水城县美丽居瓷粉加工厂年产6000吨瓷粉项目 |
|||||||||||||||||
|
建设单位名称 |
水城县美丽居瓷粉加工厂 |
|||||||||||||||||
|
建设项目性质 |
新建 þ 改扩建 ¨ 技改 ¨ 迁建¨ |
|||||||||||||||||
|
建设地点 |
贵州省六盘水市水城县发耳镇马口村山坡组(水城县发耳产业园区内) |
|||||||||||||||||
|
主要产品名称 |
瓷粉 |
|||||||||||||||||
|
设计生产能力 |
年产5400吨 |
|||||||||||||||||
|
实际生产能力 |
年产5400吨 |
|||||||||||||||||
|
建设项目环评时间 |
2017年6月 |
开工建设时间 |
2014年5月 |
|||||||||||||||
|
调试时间 |
2014年11月 |
验收现场监测时间 |
2019年10月 |
|||||||||||||||
|
环评报告表 审批部门 |
水城县环境保护局 |
环评报告表 编制单位 |
河北洁源安评环保咨询有限公司 |
|||||||||||||||
|
环保设施设计单位 |
河北洁源安评环保咨询有限公司 |
环保设施施工单位 |
水城县美丽居瓷粉加工厂 |
|||||||||||||||
|
投资总概算(万元) |
50 |
环保投资总概算(万元) |
10 |
比例 |
20% |
|||||||||||||
|
实际总概算(万元) |
50 |
环保投资(万元) |
10.4 |
比例 |
20.8% |
|||||||||||||
|
验收监测依据 |
1、法规性依据 (1)《中华人民共和国环境保护法》,2015年01月01日。 (2)中华人民共和国国务院令第682号,《建设项目环境保护管理条例》2017年10月01日。 (3)国家环保总局颁发的《建设项目环境保护设施竣工验收监测办法(试行)》环境[1995]335号。 (4)国家环保总局,环发[2001]19号文《关于进一步加强建设项目环境保护管理工作的通知》2001年02月28日。 (5)国环规环评[2017]4号《建设项目竣工环境保护验收暂行办法》2017年11月22日。 (6)国家环保总局环监[2000]38号文《建设项目竣工环境保护验收监测技术要求》(试行)。 2、技术性依据 (1)水城县环境保护局关于《水城县美丽居瓷粉加工厂年产6000吨瓷粉项目》环境影响报告表报批复,水环审表[2017]64号。 (2)河北洁源安评环保咨询有限公司2017年6月编制的《水城县美丽居瓷粉加工厂年产6000吨瓷粉项目》环境影响评价报告表。 (3)《水城县美丽居瓷粉加工厂年产6000吨瓷粉项目竣工环境保护验收监测委托书》。 (4)贵州聚信博创检测技术有限公司《水城县美丽居瓷粉加工厂年产6000吨瓷粉项目验收检测报告》2019年10月21日。 |
|||||||||||||||||
|
验收监测评价标准、标号、级别、限值 |
3、验收监测评价标准 根据环境功能划分和环境影响报告表、水城县环境保护局关于《水城县美丽居瓷粉加工厂年产6000吨瓷粉项目》(水环审表[2017]64号)要求以及国家有关污染控制标准要求,确定本项目噪声、废气等污染源的验收监测评价标准。 (1)噪声按《工业企业厂界环境噪声排放标准》(G12348-2008)中的2类标准执行(见表1)。 表1 工业企业厂界环境噪声排放标准
(2)项目不设置食堂、住宿,运营期废水主要为职工生活污水及场地内雨水,场地内雨水经沉淀池(有效容积200m3)处理后回用;项目设置旱厕,粪便定期清掏用于农肥,不含粪便废水(主要为洗手水等)经沉淀处理后回用。 (3)固体废物:严格执行《一般工业固体废物贮存、处置场污染控制标准》(GB18599-2001)及2013年修改单、《危险废物贮存污染控制标准》(GB18597-2001)及2013年修改单。 (4)废气:本项目营运期废气排放标准执行《大气污染物综合排放标准》(GB16297-1996)中无组织排放监控浓度限值,具体见表2。 表2 大气污染物综合排放标准
|
|||||||||||||||||
表二
|
工程建设内容: 本项目建设地点位于贵州省六盘水市水城县发耳镇马口村山坡组(水城县发耳产业园区内),经现场踏勘及调查,本项目占地面积1000平方米,占地类型为工业用地,建筑面积640平方米。项目不设置食堂及宿舍,职工均为附近村民,均不在厂区食宿;项目主要设置一条瓷粉生产线,年产6000吨瓷粉,其主要建设内容为生产车间、原料堆场、产品堆场、碾磨车间。 2014年9月22日,水城县经济和信息化局同意本项目申办,项目于2014年11月建设完成并投入使用;本项目环评未滞后环评。 根据环评要求及实际需要,本项目环保措施为: ①项目不设置食堂、住宿,运营期废水主要为职工生活污水及场地内雨水,场地内雨水经沉淀池(有效容积200m3)处理后回用;项目设置旱厕,粪便定期清掏用于农肥,不含粪便废水(主要为洗手水等)经沉淀(有效容积1m3)处理后回用(经现场踏勘,洗手等废水污水沉淀池建设单位未建设,项目主要采取收集桶(200L)收集后回用,不外排)。 ②项目大气污染物主要为雷磨机粉尘、搅拌机粉尘,项目雷磨机粉尘和搅拌机粉尘主要经布袋除尘器收集,未设置排气筒排放,排放浓度满足《大气污染物综合排放标准》(GB16297-1996)无组织排放监控浓度限值;项目原材料输送、加工均在封闭空间内进行,产生无组织粉尘较少,对大气环境影响较小。 ③合理优化布局生产设备;高噪声生产设备应做减振、消声和吸声处理;加强管理,夜间(22:00-次日06:00)禁止生产作业;加强厂绿化,确保厂界噪声满足《工业企业厂界环境噪声排放标准》(G12348-2008)中的2类要求。 ④原辅材料包装袋进行分类回收利用,不能利用的与生活垃圾集中收集后运至当地生活垃圾填埋场;机械设备维修产生的废机油属危险废物,其储存、运输应严格按照《危险废物贮存污染控制标准》(GB18597-2001)及2013年修改单有关要求进行,收集暂存于危废暂存间(设计容积5m3),委托有相关资质的单位处置。 建设单位实际建设情况与环评及批复要求建设情况对照见表3。
表3 建设单位实际建设情况与环评及批复要求建设情况对照表
|
||||||||||||||||||||||||||||||||||||||||||||
|
原辅材料消耗及水平衡: 1、供电 当地供电系统供给 2、供水 当地供水管网供给 3、排水 本项目采取雨污分流方式。 (1)雨水 本项目屋面雨水经雨水屋面收集后沿截排水沟引入项目设置的雨水收集沉淀池(有效容积200m3)沉淀处理后外排。 (2)生活污水 项目不设置食堂、住宿,设置旱厕,粪便定期清掏用于农肥,洗手废水经收集桶(200L)收集后回用,不外排。 本项目设备利用见表4。水平衡图见图1。 表4 生产设备一览表
图1 项目水平衡图(单位:m3/d)
|
||||||||||||||||||||||||||||||||||||||||||||
|
主要工艺流程及产物环节(附处理工艺流程图,标出产污节点) 主要污染工序 1、施工期 本项目已于2014年建成并投入生产,因此需补办环境影响评价相关手续,属于滞后环评项目;原环评编制期间,项目厂区内无施工期遗留环境问题,施工期产生的粉尘、废水、噪声、固废均得到有效处置,对四周环境影响较小。 2、营运期 (1)废气 本项目废气主要为瓷粉加工车间碎石碾磨、原料搅拌过程中产生的粉尘。 (2)废水 本项目废水主要为职工生活产生的生活污水。 (3)噪声 本项目产生噪声的主要生产设备为搅拌机、雷磨机及引风机等,其噪声源强约为75-110dB(A)。 (4)固体废物 本项目固体废水主要来源于原材料使用过程中产生的废弃包装袋,职工生活产生的生活垃圾,设备维修等产生的废机油等。
图2 营运期工艺流程及产污环节图
|
表三
|
主要污染源、污染物处理和排放(附处理流程示意图、标出废水、废气、厂界噪声监测点位) 1、废水污染物排放及治理措施 本项目废水主要为职工生活产生的生活污水。 项目不设置食堂、住宿,设置旱厕,粪便定期清掏用于农肥,洗手废水经收集桶(200L)收集后回用,不外排。 2、废气污染物排放及治理措施 本项目废气主要为瓷粉加工车间碎石碾磨、原料搅拌过程中产生的粉尘。 项目雷磨机粉尘和搅拌机粉尘主要经布袋除尘器收集,未设置排气筒排放,排放浓度满足《大气污染物综合排放标准》(GB16297-1996)无组织排放监控浓度限值;项目原材料输送、加工均在封闭空间内进行,产生无组织粉尘较少,对大气环境影响较小。 经建设单位介绍,项目设置的布袋收尘器为静电式收尘器,项目产生的粉尘经封闭式管道汇入静电式收尘器收集后回用,静电式收尘器不宜设置排气筒,排气筒会影响其除尘率,因此,建设单位未设置15m高排气筒;使破碎、碾磨工序产生的粉尘经布袋除尘器收集后无组织排放,经现场验收检测报告可知,排放浓度满足《大气污染物综合排放标准》(GB16297-1996)无组织排放监控浓度限值,因此,项目未设置15m高排气筒合理可行。 3、噪声污染物排放及治理措施 本项目产生噪声的主要生产设备为搅拌机、雷磨机及引风机等,其噪声源强约为75-110dB(A)。 本项目噪声通过合理优化布局生产设备;高噪声生产设备应做减振、消声和吸声处理;加强管理,夜间(22:00-次日06:00)禁止生产作业;加强厂绿化,等措施后厂界噪声满足《工业企业厂界环境噪声排放标准》(G12348-2008)中的2类要求。 4、固体废物污染物排放及治理措施 本项目固体废水主要来源于原材料使用过程中产生的废弃包装袋,职工生活产生的生活垃圾,设备维修等产生的废机油等。 原辅材料包装袋进行分类回收利用,不能利用的与生活垃圾集中收集后运至当地生活垃圾填埋场;机械设备维修产生的废机油属危险废物,其储存、运输应严格按照《危险废物贮存污染控制标准》(GB18597-2001)及2013年修改单有关要求进行,收集暂存于危废暂存间(设计容积5m3),委托有相关资质的单位处置。
|
表四
|
1、环评报告表的主要结论与建议 (1)结论 1)项目基本情况简介 本项目位于贵州省六盘水市水城县发耳镇马口村山坡组(水城县发耳产业园区内)。项目生产规模为年产6000吨瓷粉,总投资50万元,其中环保投资10万元,占总投资的20%。项目总占地面积1000m2,位于工业园区内,用地性质为工业用地。总建筑面积750m2,主要建设办公室、两个生产车间及成品仓库等。 2)产业政策符合性分析 本项目不属于《产业结构调整指导目录(2011年本)》(2013年修正)中的限制类项目和淘汰类项目,属于允许类项目。符合国家产业政策。 3)选址的合理性分析 本项目选址位于贵州省六盘水市水城县发耳镇马口村山坡组(水城县发耳产业园区内),厂址为发耳镇工业规划用地,符合当地政府用地规划要求;项目区周围无人文景观和名胜古迹等重要环境敏感点;项目投产后对大气、地表水、声环境的影响皆很小,不会改变环境功能现状。从环境保护的角度分析,项目选址是基本合理的。 4)环境质量现状 ①根据《六盘水市环境质量月报2017年4月》可知,水城县的环境质量现状如下: 项目所在地的SO2浓度为8μg/m3、PM10浓度为56μg/m3、PM2.5浓度为41μg/m3、NO2浓度为17μg/m3,环境空气质量较好,满足《环境空气质量标准》(GB3095-2012)二级标准。 ②根据现场踏勘及调查,本项目最终受纳水体为北盘江,北盘江发耳断面水环境质量可达到《地表水环境质量标准》(GB338-2002)Ⅲ类标准限值。 ③项目周围无工矿企业,地下水没有被污染,水质较好,地下水质量基本满足《地下水质量标准》(GB/T14848-2017)Ⅲ类标准。 ④由于区内没有大的噪声源,项目所在地区域声环境质量较好,基本可满足《声环境质量标准》(GB3096-2008)的2类区标准。 ⑤由于人类活动的影响,自然植被中的原生植被已遭受破坏,项目区以次生植被和人工植被为主。 5)环境影响分析结论及保护措施 ①水环境 A、生活污水 一般生活污水产生量为89.4m3/a,项目设置有沉淀池和旱厕,生活污水进入沉淀池进行沉淀处理,然后回用于厂区内的绿化或洒水抑尘,不外排;旱厕中的粪便由当地农民定期外运做农肥使用。 项目产生的生活污水量较小,经妥善处理后,基本不对周围水环境产生影响。 B、瓷粉加工车间、厂区冲洗水 瓷粉加工车间、厂区冲洗水水源主要通过水泵将雨水收集池的初期雨水抽用,冲洗后的废水又通过厂区内的排水沟收集到雨水收集池内,经沉淀后再继续回用。 ②大气环境 本项目的大气污染源为产品加工过程中产生的粉尘。 瓷粉加工车间粉尘主要来源于碎石碾磨、原料搅拌过程,这些过程中会产生粉尘,属于无组织排放。本环评要求在雷磨机和搅拌机上安装布袋除尘器,除尘率为99%,袋式除尘器拦截的粉尘回用于生产中,对环境影响较小。其余1%可经15m高的排气筒排入大气中,满足《大气污染物综合排放标准》(GB16297-1996)二级标准中颗粒物排放标准限值。 ③声环境 项目生产过程中产生噪声的设备主要为搅拌机、雷磨机,同时还有运输车辆产生的噪声,根据类比分析,项目主要噪声源源强约为70dB(A)。 本项目设备摆放在半封闭结构的生产厂房内,厂房对噪声的减轻作用很小,所以本环评建议项目设计尽量选用低噪声设备,并对设备采取相应基座减振、车间隔声、厂区绿化等措施,确保厂界噪声满足《工业企业厂界环境噪声排放标准》(G12348-2008)中的2类标准限值(昼间:60dB(A),项目夜间不生产)。由于项目唯一的声敏感点在项目200m以外,项目设备经减振降噪后,通过距离衰减后,对周围声环境敏感点的影响较小,敏感点声环境可满足《声环境质量标准》(GB3096-2008)的2类标准要求。 对交通噪声采取项目区内设置限速和禁鸣标志、在运输所经的村寨等敏感点设置警示牌、车辆在经过居民点周围应控制机动车辆行驶速度并且禁止鸣笛、夜间禁止鸣放高音喇叭等措施后,使运输产生的交通噪声降至最小。 ④固体废物 项目运营期的固体废物主要为职工生活垃圾、生产过程中产生的废弃包装袋及设备维修等产生的废机油。 A、生活垃圾 项目生活垃圾产生量为3kg/d,产生的生活垃圾经过垃圾桶收集后运至当地政府指定垃圾收集点由环卫部门统一外运填埋。 B、收集的粉尘 瓷粉加工车间安装的布袋除尘器收集的粉尘可回用于生产。 C、废弃包装袋 每年废弃包装袋产生量约为1.2t,全部由生产厂家回收处理后再利用。 D、废机油 项目主要设备雷磨机和搅拌机需定期更换润滑油,更换周期为每半年一次,废矿物油产生量约20kg/a。本环评要求设置危险废物暂存间,对项目产生的少量废机油进行暂存,危险废物暂存间必须按照危险废物管理要求做好防渗防火要求,暂存的危险废物定期交由有资质单位进行处置。 综上所述,项目符合国家产业政策;采用的污染防治措施可使污染物得到有效削减,能够达标排放,项目选址合理,符合当地区域规划。只要严格落实环境影响评价报告表提出的对策及措施,确保项目所产生的污染物达标排放,则本项目的建设从环保角度出发是可行的。 (2)建议 为搞好项目建设,减少环境污染,特提出以下建议: 1)营运期加强环保管理,做到污染物稳定、达标排放。 2)尽可能的利用厂区空地进行绿化,在厂区四周种植枝叶繁茂的高大乔木,既可以美化厂区环境,还可起到一定的抑尘、滞尘作用,最大限度的降低无组织粉尘排放对厂界附近环境空气质量的影响。 3)原料和成品运输应在白天进行,夜间和午休时间禁止车辆运输,运输车辆经过沿线居民点时应减速行驶,以减轻运输对居民的影响,对厂区工作场地和汽车运输道路,采取洒水降尘措施来防止二次扬尘。 4)对各污染物治理设施要经常检查,定期维护,确保其正常运行及污染物达标排放。 5)加强对旱厕的管理,定期清理,并避免粪水外溢,污染环境。
审批部门审批决定:
环评批复及落实情况 项目环评批复及落实情况详见表5。 表5 环评批复及落实情况
环保设施投资落实情况 本项目设计的环保投资与实际投资及所占百分比情况见表6。 表6 项目设计的环保投资与实际投资及所占百分比情况
|
||||||||||||||||||||||||||||||||||||||||||||||||||||||||||||||||||||
表五
|
验收监测质量保证及质量控制: 为了确保检测数据具有代表性、完整性、准确性、精密性和可比性,对项目的全过程(包括布点、采样、样品保存和运输、实验室分析、数据处理等)进行质量控制和质量保证。 1、严格按照项目方案及相关标准规范开展检测工作。 2、采样人员严格遵守采样操作规程,认真填写采样记录,按规定保存、运输样品。 3、监测分析采用本公司资质认定附表中的方法;监测人员经内部考核合格,并持有上岗证,本报告中所涉及仪器、量具均经过计量部门检定合格并在有效期内。 4、样品测定过程中进行平行、加标或质控样测定;声级计测定前后均进行了校准。 5、监测报告严格执三行级审核制度。
|
表六
|
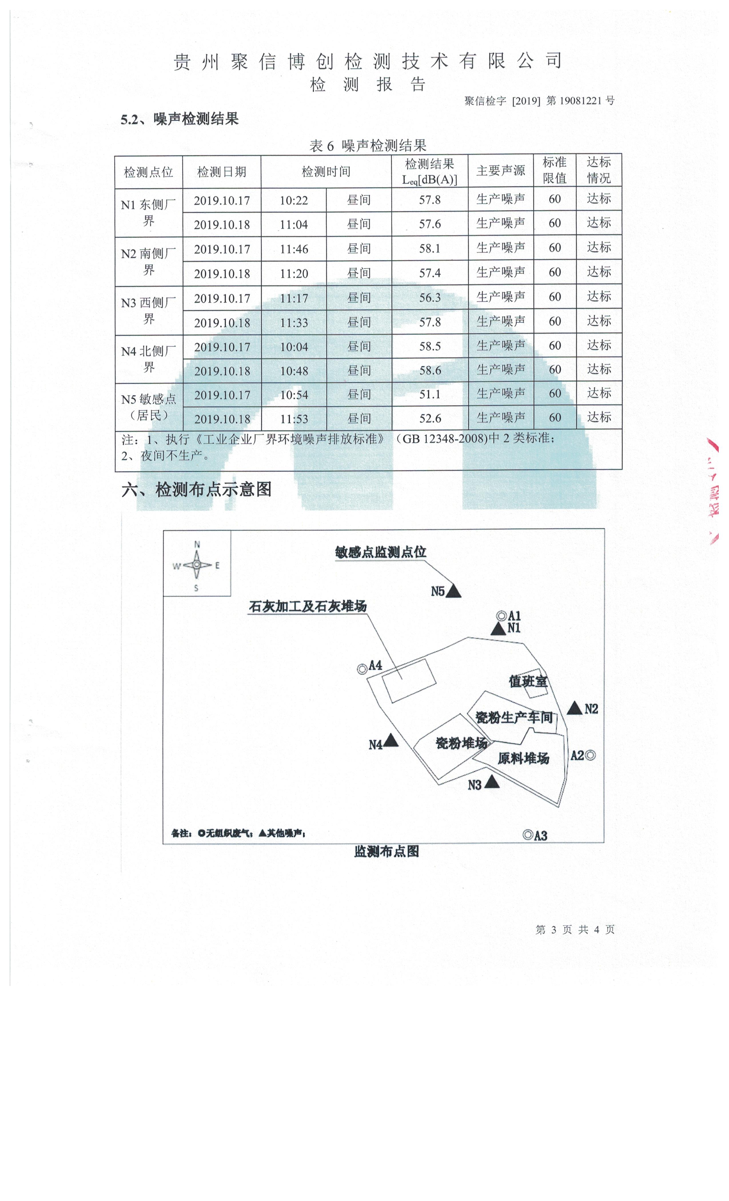
验收监测内容: 一、噪声监测内容: 1、噪声监测点位设置 本次噪声监测在东、南、西、北四侧厂界处各布置1个监测点,北侧厂界外10m处村民点布置1个监测点,共5个监测点,分别为N1、N2、N3、N4、N5。 2、监测项目 等效A声级 3、监测频次 监测期为2天,每天昼间监测一次,每次10分钟 4、噪声监测方法 噪声的测量严格按照《工业企业厂界环境噪声排放标准》(GB12348-2008)。 二、废气监测内容: 1、废气监测点位设置 根据《环境影响评价技术导则 大气环境》(HJ2.2-2018)、《空气和废气监测分析方法》第四版、当地地形、主导风向及敏感点分布,布设4个监测点,上风向1个,下风向3个。 2、监测项目 TSP;所有监测点在环境空气质量现状监测期间,记录风向、风速、气温、气压、湿度等气象参数。 3、监测频次 监测时间拟定在2019年10月进行,采样2天,按照《环境空气质量标准》(GB3095-2012)要求,TSP日均浓度监测,每日应有24小时采样时间。 4、废气监测方法 分析方法采用环境空气总悬浮颗粒物的测定重量法(GB/T 15432-1995),仪器采用电子天平(JXBC-SN-13)。 5、执行标准:《大气污染物综合排放标准》(GB16297-1996)无组织排放监控浓度限值。 三、监测仪器
环境影响报告表及其审批部门审批决定中未对环境敏感保护目标有要求的要进行环境质量监测,因此本项目不涉及环境质量监测。
|
表七
|
验收监测期间生产工况记录: 2019年10月17日至18日,贵州聚信博创检测技术有限公司对水城县美丽居瓷粉加工厂年产6000吨瓷粉项目进行了现场监测;项目设计生产能力为年产6000吨瓷粉,年工作300天。环评验收时,通过现场调查资料监测期间工程生产设施及环保设施运行正常,工况达到90%以上,满足监测要求。验收期间工况详见表7。 表7 验收期间工况表
|
|||||||||||||||||||||||||||||||||||||||||||||||||||||||||||||||||||||||||||||||||||||||||||||||||||||||||||||||||||||||||||||||||||||||||||||||||||||||||||||||||||||||||||||||
|
验收监测结果: 1、噪声监测及评价结果 2019年10月17日至18日对水城县美丽居瓷粉加工厂年产6000吨瓷粉项目噪声监测及评价结果见表8。 表8 噪声监测结果
由表7监测及评价结果表明:在此监测期间,该项目厂界昼间监测最大噪声值为58.6dB(A),监测结果均达到《工业企业厂界环境噪声排放标准》(GB12348-2008)2类标准限值要求。 1、废气监测及评价结果 2019年10月17日至18日对水城县美丽居瓷粉加工厂年产6000吨瓷粉项目废气监测及评价结果见表9、表10。
表9 废气检测结果
表10 废气检测结果
|
|||||||||||||||||||||||||||||||||||||||||||||||||||||||||||||||||||||||||||||||||||||||||||||||||||||||||||||||||||||||||||||||||||||||||||||||||||||||||||||||||||||||||||||||
表八
|
验收监测结论: 一、结论: 1、噪声 水城县美丽居瓷粉加工厂年产6000吨瓷粉项目验收监测期间,厂界昼间监测最大噪声值为58.6dB(A),监测结果均达到《工业企业厂界环境噪声排放标准》(GB12348-2008)2类标准限值要求。 厂区产生的总悬浮颗粒物厂界浓度均满足《大气污染物综合排放标准》(GB16297-1996)无组织排放监控浓度限值。 二、建议: (1)健全管理制度,明确环境保护措施并指定责任人。 (2)建设单位应加强厂区内环保设施监管力度,避免项目出现事故情况下三废超标排放。 |
附件:











附图:





专家意见:












